产品分类
联系我们
- 联靖精密科技(广东)有限公司,一级能效YE5(IE5)减速马达,二级能效YE4(IE4)减速电机
- 地址:常州市武进区牛塘镇东宝路7号
电话:0519-88998190
传真:0519-88996290
胡千兵:13018665114
邮箱:596516651@qq.com
- 晟邦精密科技(广东)有限公司
东莞市城邦精密机电有限公司 - 地址:东莞市厚街镇科技大道7号
电话:0769-85343611
传真:0769-85343612
严金花:13450623531
邮箱:122086354@qq.com
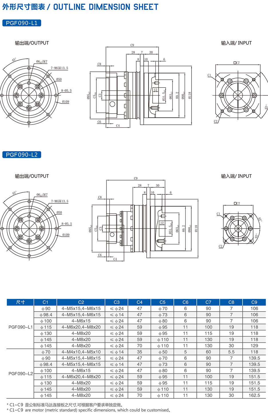
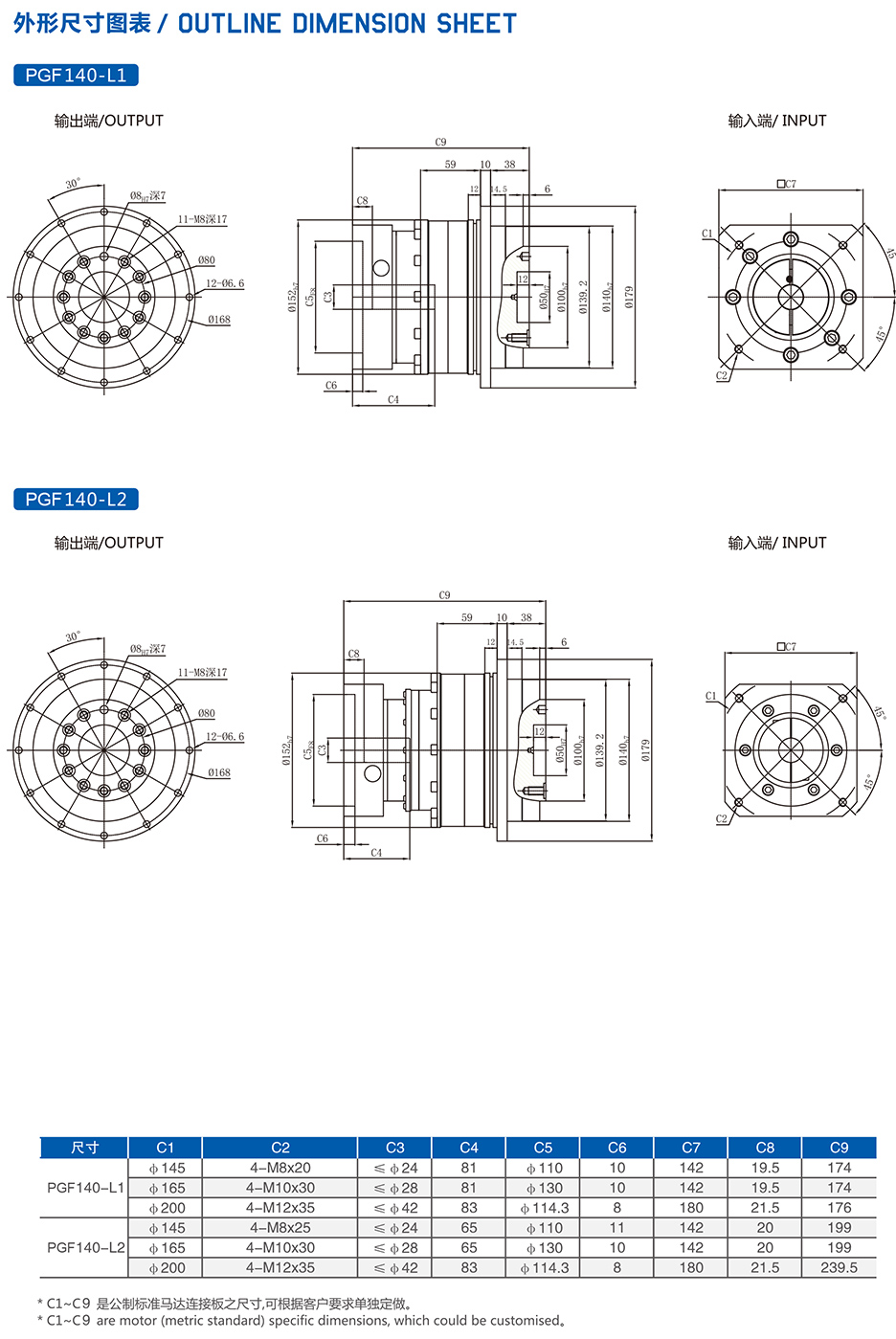
PGF(高精密盘形式输出)系列

参数详情











